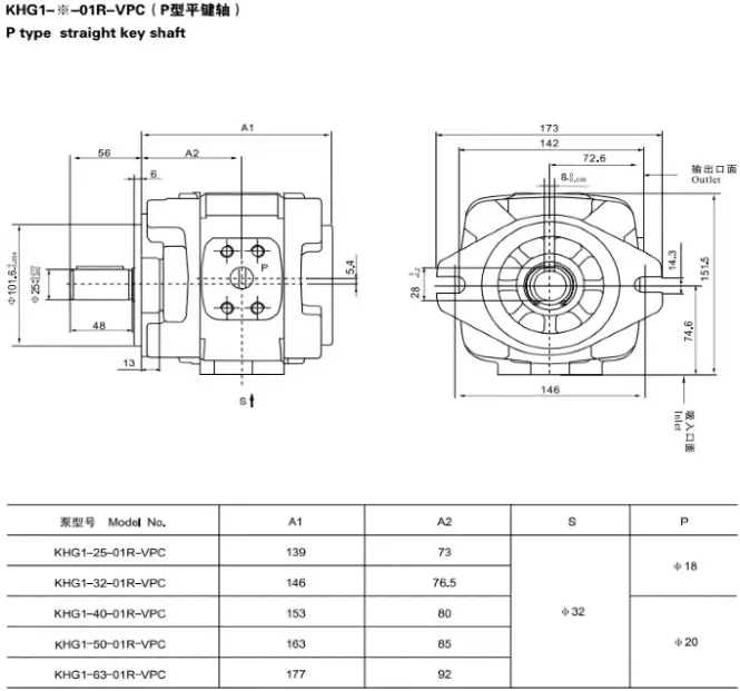
KHG1-32-01R-VPC齒輪泵JPWORLD沃特油泵20/25/40/50/63 HG0系列

液壓系統油箱溫升嚴重的原因及解決辦法
液壓油箱溫度升高嚴重:油箱起著“散熱”的作用,可以在短期內吸收熱量,也可以防止處于寒冷環境中的液壓系統其空轉被過度冷卻,油箱的主要問題還是溫升,溫升到某一范圍平衡不再升高。嚴重的溫升會導緻液壓系統多種故障。
引起油箱溫升嚴重的原因有:
①油箱設置在高溫熱輻射源附近,環境溫度高;
②液壓系統各種壓力損失(如溢流、減壓等)産生的能量轉換大;
③油箱設計時散熱面積不夠;
④油液的粘度選擇不當,過高或過低。
解決油箱溫升嚴重的辦法是:
①盡量避??熱源;
②正確設計液壓系統:如系統應有卸載回路、采用壓力適應、功率適應、蓄能器等高效液壓系統,減少高壓溢流損失,減少系統發熱;
③正確選擇液壓元件,努力提高液壓元件的加工精度和裝配精度,減少洩漏損失,容積損失和機械損失帶來的發熱現象;
④正確配管:減少過細過長、彎曲過多、分支與彙流不當帶來的局部壓力損失;
⑤正確選擇油液粘度;
⑥油箱設計時應考慮有充分的散熱面積和油箱容量。一般油箱容量應按泵流量(l/min )的2~6 倍選取,流量大的系統取下限,反之取上限;低壓系統取下限,反之取上限。
⑦在占地面積不容許加大油箱體積的情況下或在高溫。








液壓系統污染控制、洩露、振動及噪聲
液壓系統 的污染、洩漏、液壓沖擊、振動和噪聲問題,這些是設計與使用一般液壓動力單元的幾個關鍵,并對液壓站的設計質量的優略和使用效益,效果的發揮有很大影響。
1、污染控制。油液中各種顆粒污染物在滑閥間隙內會引起滑閥卡阻故障,會導緻出現液壓元件中的阻尼小孔或節流小孔堵塞造成元器件失靈等問題。有研究資料表明,液壓系統的故障約有80%以上是因液壓油所造成,而不同的污染途徑和污染物形態對液壓系統造成的危害又不盡相同,所以污染控制十分重要。
2、洩漏。如果由于某種原因導緻油液超過了邊界,流到不應該去的其他容腔或系統外部,稱為洩漏。內洩漏是從元件的高壓腔流到低壓腔的洩漏,而外洩漏是從元件或管入中流到外部的洩漏。按照洩漏機理不同,又有縫隙洩漏、多孔隙洩漏、黏附洩漏和動力洩漏等多種形式。
3、液壓沖擊。在液壓系統中,由于某種原因引起的壓力急劇交替升降的阻尼波動過程,稱為液壓沖擊。液壓沖擊使系統的瞬間壓力較正常壓力大許多倍,這種現象常使液壓元器件、管道及密封裝置損壞失效,引起系統振動和噪聲。
4、振動和噪聲。是液壓裝置運行中經常發生的兩種現象。振動是彈性物體的固有特性,噪聲源于振動,發聲噪聲的振動稱為聲源,所以噪聲的控制歸結為振動的控制。除了某些利用振動原理工作的液壓設備外,液壓系統的振動多數情況下是有害的,它影響主機和系統工作性能及使用壽命。噪聲除了造成人的聽力損傷外,還會分散操作者的注意力,還可能淹沒報警信號,造成人身、設備事故。隨著液壓系統的高壓、高速化,振動與噪聲的控制就顯得重要。它也是液壓動力源設計中應重點注意的一個問題。除此之外,油箱的設計也是一個相當重要的問題,油箱除了有存儲液壓油液的作用外,還擔負了散發油液熱量、逸出空氣、沉淀雜質、分離水分的作用。
KHG0系列:
KHG0-10-01R-VPC KHG0-08-01R-VPC KHG0-13-01R-VPC KHG0-16-01R-VPC KHG0-20-01R-VPC
KHG1系列:
KHG1-25-01R-VPC KHG1-32-01R-VPC KHG1-40-01R-VPC KHG1-50-01R-VPC KHG1-63-01R-VPC
KHG2系列:
KHG2-63-01R-VPC KHG2-80-01R-VPC KHG2-100-01R-VPC KHG2-125-01R-VPC KHG2-145-01R-VPC KHG2-160-01R-VPC
本文由蘇州逐利機電整理發布,如需轉載請瀏覽來源及出處,原文地址:http://www.hh-weigher.com/yyyb/146.html






留言信息